1.RC橋式
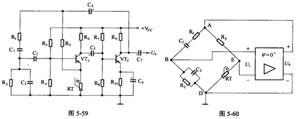
振蕩器又稱為文氏電橋振蕩器,電路圖如圖5-59所示。VT1、VT2組成兩級阻容耦合放大器。R1、C1串聯以及R2、C2并聯共同組成正反饋網絡,用以選頻和產生振蕩。R5和RT組成負反饋網絡,用以改善輸出波形。R3、R4和R7、R8分別是VT1、VT2的基極偏置電阻。C7是振蕩電壓輸出耦合電容。

2.正反饋網絡和負反饋網絡正好構成了電橋電路,如圖5-60所示。VT1、VT2組成相移角的放大器,電橋的A、D端接放大器輸出端,B、E端接放大器輸入端。當信號頻率等于R1、C1和R2、C2正反饋網絡的諧振頻率時,放大器輸出電壓Uo與反饋到輸入端的電壓Ui相同,電路振蕩。
3.電橋E-D臂的RT是正溫度系數熱敏電阻,具有穩定振蕩幅度的作用。當振蕩增強時,流過熱敏電阻RT的電流增大,導致溫度升高、阻值增大、使負反饋增強、振蕩削弱;反之則使負反饋減弱、振蕩增強,從而穩定了振幅。RC橋式振蕩器具有容易起振、輸出波形較好、輸出功率較大的特點,應用比較廣泛。
信息來自:
泰藝晶振